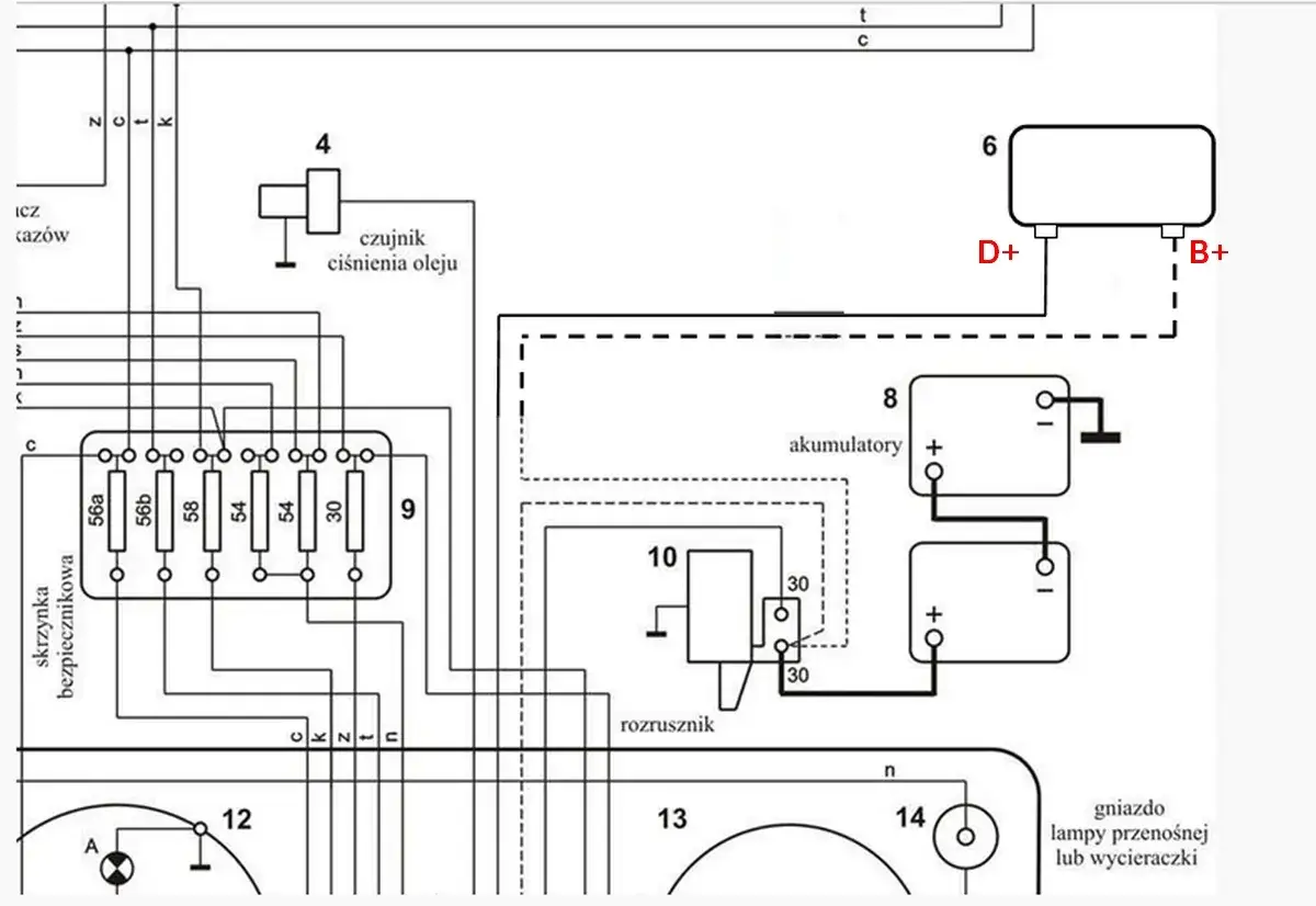
- Alternator należy podłączyć bezpośrednio do przewodu akumulatora na rozruszniku.
- Przewód D+ musi być podłączony do lampki kontrolnej na desce rozdzielczej.
- Przewód W- wymaga odpowiedniego przekroju i starannego montażu.
- Przed rozpoczęciem prac warto zapoznać się z instrukcją obsługi ciągnika.
- W razie wątpliwości zaleca się konsultację z mechanikiem.
Dlaczego warto wymienić prądnicę na alternator w C 330
Wymiana prądnicy na alternator w ciągniku C 330 to jedna z najczęściej wykonywanych modernizacji. Alternator oferuje większą wydajność, co przekłada się na lepsze ładowanie akumulatora nawet przy niskich obrotach silnika. Dodatkowo, alternatory są bardziej niezawodne i mają dłuższą żywotność niż tradycyjne prądnice.
Prądnice w starszych modelach, takich jak C 330, często mają problemy z utrzymaniem stabilnego napięcia. To może prowadzić do niedoładowania akumulatora lub awarii układu elektrycznego. Alternator rozwiązuje te problemy, zapewniając stałą i efektywną pracę nawet w trudnych warunkach.
Jak dobrać odpowiedni alternator do C 330
Wybór odpowiedniego alternatora do C 330 wymaga uwzględnienia kilku kluczowych czynników. Przede wszystkim, należy sprawdzić kompatybilność mocowania oraz wymiary alternatora, aby pasował do miejsca montażu. Ważne jest również dopasowanie mocy alternatora do zapotrzebowania elektrycznego ciągnika.
Alternator powinien mieć odpowiednie napięcie (zazwyczaj 12 V) i prąd ładowania dostosowany do potrzeb akumulatora. Popularne modele alternatorów, które sprawdzają się w C 330, to m.in. Bosch, Valeo i Denso. Dobór odpowiedniego modelu gwarantuje bezproblemową pracę układu ładowania przez wiele lat.
Kluczowe parametry alternatora dla C 330
Przy wyborze alternatora do C 330 warto zwrócić uwagę na trzy główne parametry: napięcie, natężenie prądu oraz sposób mocowania. Napięcie 12 V jest standardem w większości ciągników, natomiast prąd ładowania powinien wynosić co najmniej 55-70 A. Montaż alternatora musi być prosty i stabilny, aby uniknąć drgań podczas pracy.
- Bosch 0 124 515 012 – wysoka wydajność i trwałość
- Valeo 437439 – kompaktowy rozmiar i łatwy montaż
- Denso 104210-4650 – idealny do starszych modeli ciągników
- Marelli 044541 – przystępna cena i dobre parametry
Czytaj więcej: Czy alternator może przeładować akumulator? Objawy, przyczyny i jak temu zapobiec
Krok po kroku: jak podłączyć alternator w C 330
Podłączenie alternatora w C 330 wymaga przygotowania narzędzi i podstawowej wiedzy elektrycznej. Zacznij od odłączenia akumulatora, aby uniknąć zwarcia podczas pracy. Przygotuj klucze płaskie, kombinerki oraz izolację do zabezpieczenia połączeń.
Pierwszym krokiem jest zamontowanie alternatora w miejscu prądnicy. Upewnij się, że jest on stabilnie przymocowany. Następnie podłącz przewód wyjściowy alternatora do zacisku akumulatora na rozruszniku. Przewód D+ należy połączyć z lampką kontrolną na desce rozdzielczej, a przewód W- odpowiednio zabezpieczyć.
Po podłączeniu wszystkich przewodów sprawdź, czy połączenia są stabilne i dobrze zaizolowane. Zawsze testuj układ ładowania przed pełnym uruchomieniem ciągnika, aby uniknąć uszkodzeń.
Schemat podłączenia alternatora – co musisz wiedzieć
Schemat podłączenia alternatora w C 330 jest stosunkowo prosty, ale wymaga precyzji. Przewód wyjściowy (B+) łączy się z dodatnim biegunem akumulatora, a przewód D+ z lampką kontrolną. Przewód W- służy do podłączenia masy i musi mieć odpowiedni przekrój.
Jednym z najczęstszych błędów jest pomylenie przewodów D+ i W-. To może prowadzić do uszkodzenia alternatora lub układu elektrycznego. Zawsze sprawdzaj schemat przed rozpoczęciem pracy.
| Przewód | Podłączenie w prądnicy | Podłączenie w alternatorze |
| B+ | td>Bezpośrednio do akumulatoraDo zacisku akumulatora na rozruszniku | |
| D+ | Do regulatora napięcia | Do lampki kontrolnej |
| W- | Do masy | Do masy z odpowiednim przekrojem |
Najczęstsze błędy przy podłączaniu alternatora i jak ich uniknąć
Jednym z najczęstszych błędów jest nieprawidłowe podłączenie przewodów, co może prowadzić do zwarcia lub uszkodzenia alternatora. Innym problemem jest brak izolacji połączeń, co zwiększa ryzyko korozji i awarii.
Aby uniknąć błędów, zawsze sprawdzaj schemat podłączenia i upewnij się, że przewody są odpowiednio oznaczone. Testuj układ ładowania przed pełnym uruchomieniem ciągnika. W razie wątpliwości skonsultuj się z mechanikiem.
Jak uniknąć błędów przy podłączaniu alternatora w C 330
Podłączenie alternatora w C 330 wymaga precyzji i znajomości schematu elektrycznego. Najczęstsze błędy to nieprawidłowe podłączenie przewodów, zwłaszcza D+ i W-, co może prowadzić do uszkodzenia alternatora lub układu elektrycznego. Ważne jest również odpowiednie zabezpieczenie połączeń przed korozją i drganiami.
W artykule podkreśliliśmy, że testowanie układu ładowania przed pełnym uruchomieniem ciągnika jest kluczowe. Przykładowo, przewód B+ musi być podłączony do zacisku akumulatora na rozruszniku, a przewód D+ do lampki kontrolnej. Dzięki temu unikniemy problemów z niedoładowaniem akumulatora.
Pamiętajmy, że konsultacja z mechanikiem jest zawsze dobrym rozwiązaniem, jeśli nie jesteśmy pewni poprawności podłączenia. W ten sposób unikniemy kosztownych napraw i zapewnimy długotrwałą pracę alternatora w C 330.
